N20566 taraud pour aluminium

WALTER

DESCRIPTIF PRODUIT

Type Paradur X-pert N

004 - TA - Taraud 60°

006 - Non debouch

007 - HSS E

010 - Angle 35°

018 - DIN 376

025 - M

ALUMINIUM

Affinez votre recherche en sélectionnant les caractéristiques souhaitées dans le tableau

Fitres actifs :
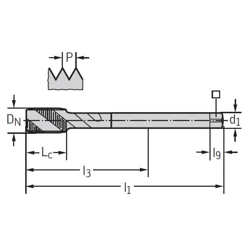
Référence

DN

P

l1

Lc

l3

d1 h9

carré

lg

N

Référence : N20566
DN : M 10
P : 1,5
l1 : 100
Lc : 15
l3 : 77
d1 h9 : 7
carré : 5,5
lg : 8
N : 2
Référence : N20566
DN : M 12
P : 1,75
l1 : 110
Lc : 16
l3 : 83
d1 h9 : 9
carré : 7
lg : 10
N : 3
Référence : N20566
DN : M 14
P : 2
l1 : 110
Lc : 20
l3 : 81
d1 h9 : 11
carré : 9
lg : 12
N : 3
Référence : N20566
DN : M 16
P : 2
l1 : 110
Lc : 20
l3 : 68
d1 h9 : 12
carré : 9
lg : 12
N : 3
Référence : N20566
DN : M 20
P : 2,5
l1 : 140
Lc : 25
l3 : 95
d1 h9 : 16
carré : 12
lg : 15
N : 3
156254