3946 - patin pour vis de placage

DESCRIPTIF PRODUIT

Avec patin en matériau dissipant l’électricité statique (dissipatif). Pour sauterelle à tige coulissante, traitée, galvanisée et passivée.
Classe de résistance 8.8, avec écrou et patin amovible.

Catalogue Format

picto_f_3946 - patin pour vis de placage

picto_f_3946 - patin pour vis de placage

La vis de placage ESD a été spécialement conçue pour être utilisée dans les zones de protection ESD (EPA -electrostatic protected area) pour les travaux sur des composants, des modules ou des appareils sensibles à l’électricité statique conformément à la norme DIN EN 61340-5-1.
Remarque : la vis de placage ESD n’est pas isolante. Elle ne doit pas être utilisée dans des zones où l’on travaille avec des tensions ouvertes.

Affinez votre recherche en sélectionnant les caractéristiques souhaitées dans le tableau

Fitres actifs :
Référence

Taille

Cote s/plats (mm)

Filetage

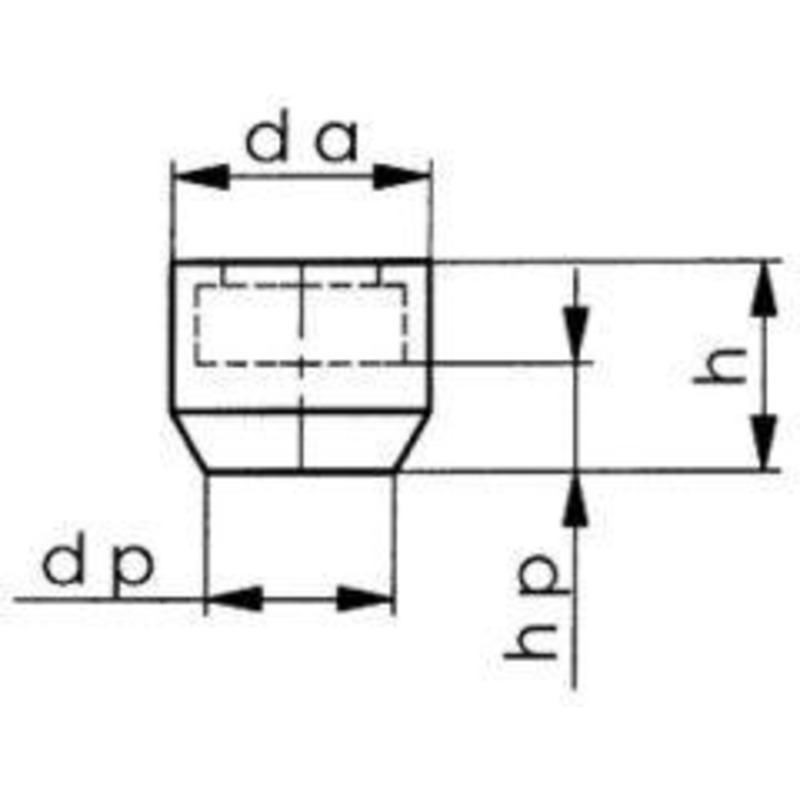
d a (mm)

d p (mm)

h (mm)

h p (mm)

Référence : 6339460100
Taille : 0/0 + 0
Cote s/plats (mm) : 7
Filetage : M4
d a (mm) : 11
d p (mm) : 7
h (mm) : 8,5
h p (mm) : 4,2
Référence : 6339460110
Taille : 1
Cote s/plats (mm) : 8
Filetage : M5
d a (mm) : 12,5
d p (mm) : 8
h (mm) : 10
h p (mm) : 5
Référence : 6339460120
Taille : 2
Cote s/plats (mm) : 10
Filetage : M6
d a (mm) : 15
d p (mm) : 10
h (mm) : 12
h p (mm) : 6
Référence : 6339460130
Taille : 3 + 4
Cote s/plats (mm) : 13
Filetage : M8
d a (mm) : 19
d p (mm) : 13
h (mm) : 15
h p (mm) : 7,5
Référence : 6339460140
Taille : 6
Cote s/plats (mm) : 18*
Filetage : M12
d a (mm) : 25
d p (mm) : 18
h (mm) : 20
h p (mm) : 9,5
190149