3936 - sauterelle poussée avec embase horizontale

EDE

DESCRIPTIF PRODUIT

Sauterelle poussée avec embase horizontale, galvanisée et passivée

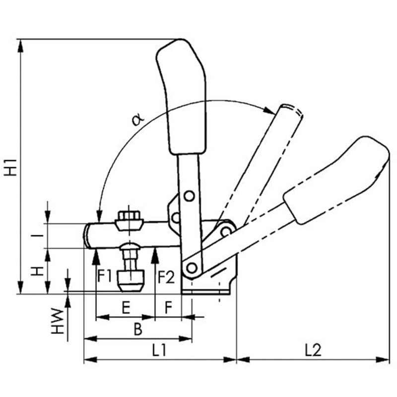
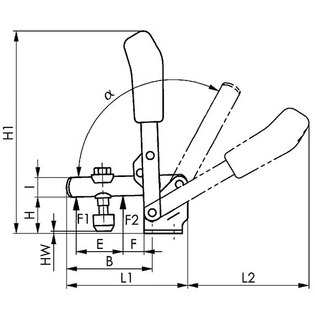
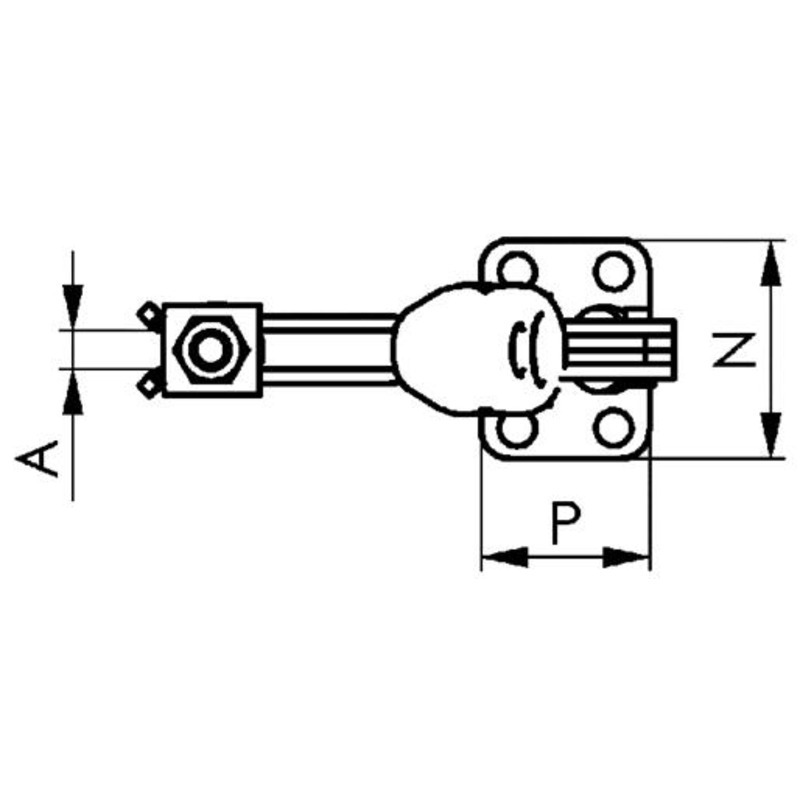
Modèle : sauterelle poussée à levier ouvert et embase horizontale. Galvanisée et passivée. Rivets en acier inoxydable articulés sur coussinets cémentés, sauf sur les tailles 0 et 1 en raison du manque de place. Les articulations sont graissées. Manche ergonomique, résistant à l’huile, avec grand appui de la main et élément souple. Élément de serrage sécurisé avec protection des doigts. Vis de placage imperdable sur l'extrémité du bras de serrage.

Livraison : sauterelle poussée complète avec vis de placage traitée et galvanisée.
alpha* : l'angle d’ouverture peut être modifié en enfonçant une goupille de serrage.

Catalogue Format

picto_f_3936 - sauterelle poussée avec embase horizontale

picto_f_3936 - sauterelle poussée avec embase horizontale

Affinez votre recherche en sélectionnant les caractéristiques souhaitées dans le tableau

Fitres actifs :
Référence

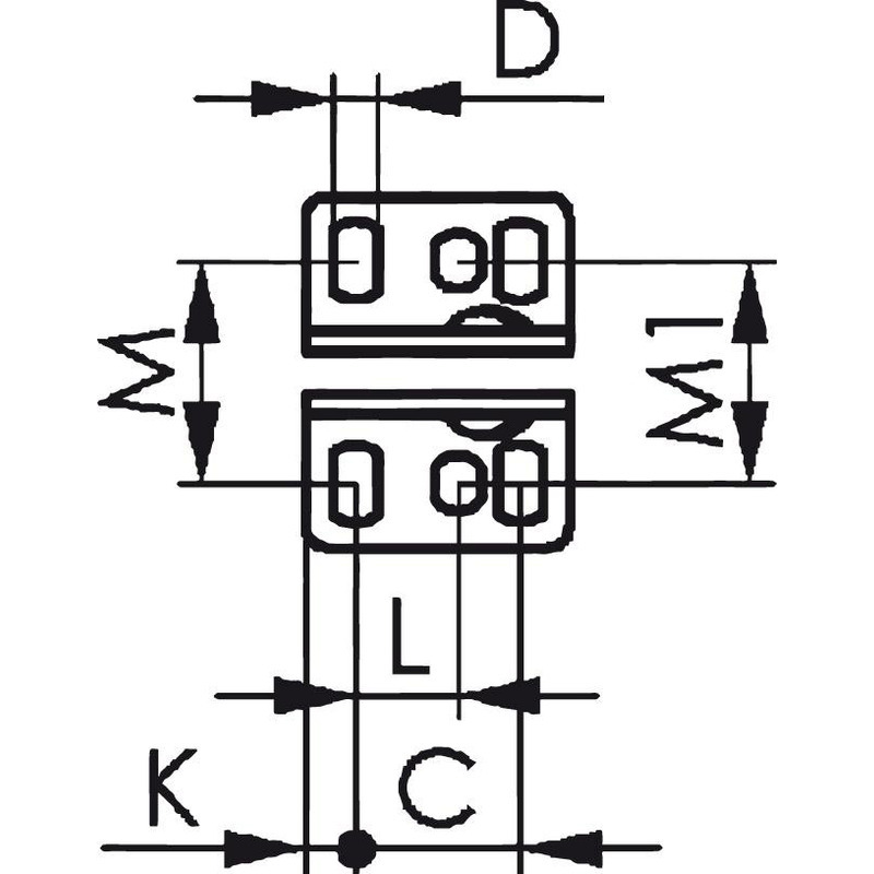
M1

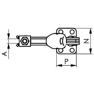
N

P

alpha

alpha*

Taille

F1 (kN)

F2 (kN)

Vis de placage

Poids (g)

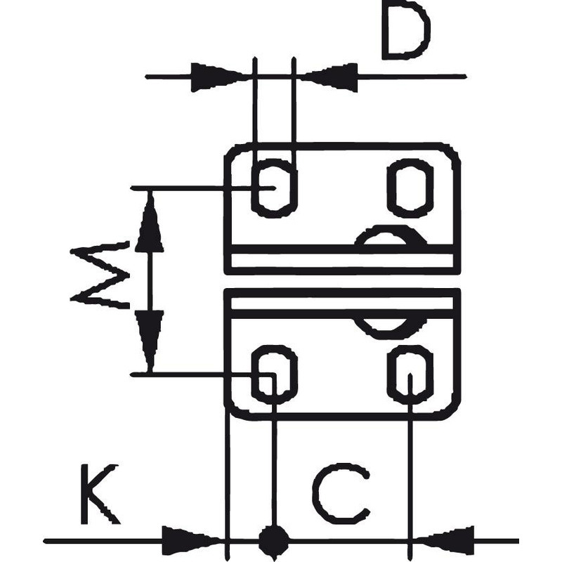
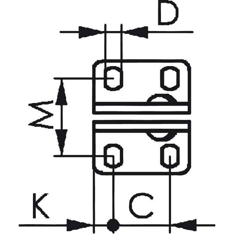
A

B

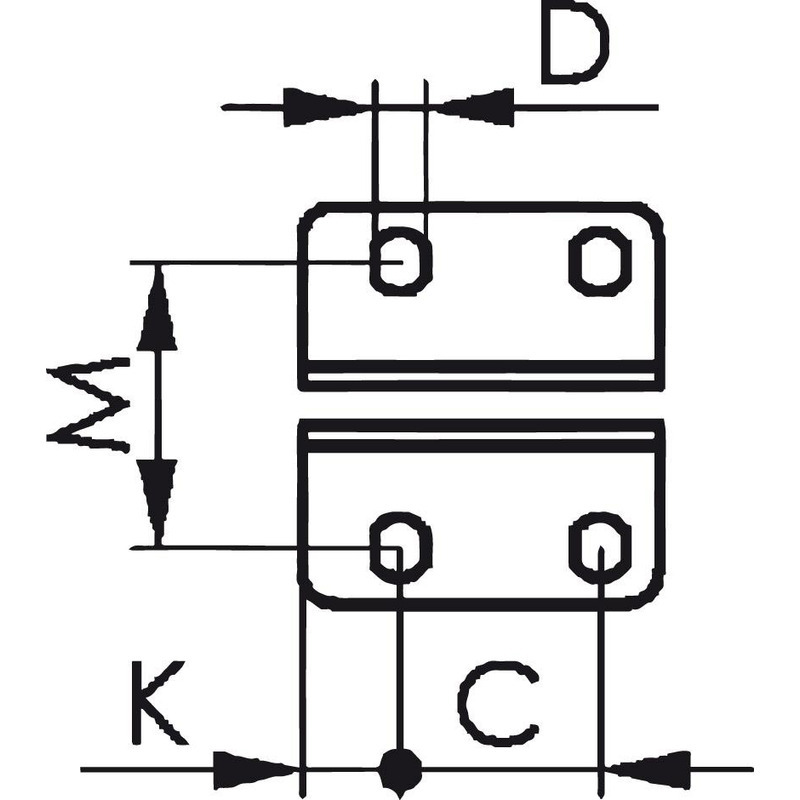
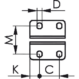
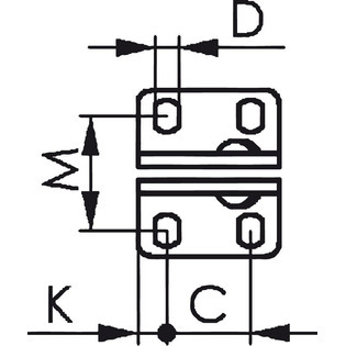
C

D

E

F

H

H1

HW min.

HW max.

I

K

L

L1

L2

M

Référence : 6339360000
M1 :
N : 32
P : 22
alpha : 95°
alpha* :
Taille : 0
F1 (kN) : 0,5
F2 (kN) : 0,7
Vis de placage : M4 x 25
Poids (g) : 60
A : 4
B : 31
C : 8,5–13,5
D : 4,5
E : 14
F : 5,5
H : 18
H1 : 81
HW min. : -1,5
HW max. : 3,5
I : 8
K : 5,5
L :
L1 : 49
L2 : 50
M : 23
Référence : 6339360010
M1 :
N : 34
P : 27
alpha : 95°
alpha* :
Taille : 1
F1 (kN) : 0,6
F2 (kN) : 1,1
Vis de placage : M5 x 30
Poids (g) : 105
A : 5
B : 39
C : 16
D : 4,5
E : 18
F : 6
H : 19
H1 : 98,5
HW min. : -4
HW max. : 2
I : 10
K : 5,5
L :
L1 : 61
L2 : 58
M : 22,5–26
Référence : 6339360020
M1 : 27
N : 43
P : 32
alpha : 105°
alpha* : 60°
Taille : 2
F1 (kN) : 0,8
F2 (kN) : 1,2
Vis de placage : M6 x 35
Poids (g) : 175
A : 6
B : 52
C : 20
D : 5,5
E : 25
F : 11
H : 23
H1 : 140
HW min. : -3
HW max. : 4,5
I : 12
K : 6
L : 12,5
L1 : 78
L2 : 89
M : 23–31
Référence : 6339360030
M1 :
N : 46
P : 35
alpha : 105°
alpha* : 60°
Taille : 3
F1 (kN) : 1,2
F2 (kN) : 2,5
Vis de placage : M8 x 45
Poids (g) : 410
A : 8
B : 79
C : 20
D : 7,5
E : 37
F : 19
H : 33
H1 : 186
HW min. : 2
HW max. : 11
I : 18
K : 7,5
L :
L1 : 112
L2 : 112
M : 32,5
Référence : 6339360040
M1 :
N : 64
P : 53
alpha : 105°
alpha* : 60°
Taille : 4
F1 (kN) : 1,7
F2 (kN) : 3
Vis de placage : M8 x 65
Poids (g) : 630
A : 10
B : 101
C : 32
D : 8,6
E : 54
F : 16
H : 42,5
H1 : 221
HW min. : -6
HW max. : 22,5
I : 20
K : 13
L :
L1 : 141
L2 : 130
M : 43–46,5
Référence : 6339360050
M1 : 45
N : 70
P : 65
alpha : 115°
alpha* : 60°
Taille : 5
F1 (kN) : 3
F2 (kN) : 5
Vis de placage : M12 x 80
Poids (g) : 1480
A : 14
B : 140
C : 45
D : 8,5
E : 73
F : 34
H : 55,8
H1 : 281
HW min. : -3
HW max. : 27,5
I : 25
K : 9,5
L : 26,5–31,5
L1 : 195
L2 : 185
M : 145–50
Référence : 6339360060
M1 :
N : 100
P : 90
alpha : 140°
alpha* : 60°
Taille : 6
F1 (kN) : 3,4
F2 (kN) : 5,5
Vis de placage : M12 x 110
Poids (g) : 2200
A : 14
B : 165,5
C : 50,5
D : 13
E : 89
F : 28
H : 81
H1 : 333
HW min. : -2,5
HW max. : 55
I : 30
K : 24,5
L :
L1 : 231
L2 : 206
M : 67,5–72,5
190058