3917 - mandrin de serrage xpa

EDE

DESCRIPTIF PRODUIT

Mandrin de serrage XPA

Système de serrage universel pour toutes formes de pièces à usiner, par ex. angulaires, obliques, concaves ou convexes.

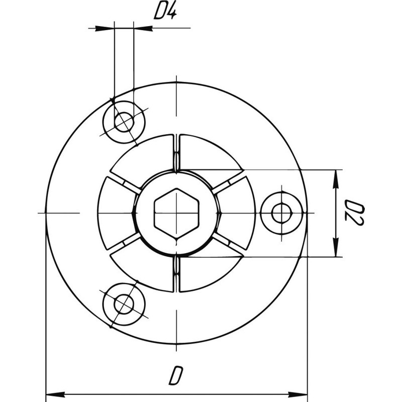
Modèle : la particularité de ce dispositif de serrage est la vis en acier (résistance 10.9) avec tête excentrique. L'excentrique produit le mouvement de serrage pour une force de serrage très élevée. Une rondelle six pans en laiton sert d’élément de serrage.

Modèle : en acier de construction, avec vis de serrage trempée et revêtue. Le diamètre de la bride de fixation est concentrique par rapport au diamètre de serrage, ce qui permet d’obtenir une grande précision de répétabilité sur les pièces.

Applications : presque toutes les pièces à usiner (telles que pièces à tourner, à fraiser, à percer, etc.) présentent au moins un alésage qui est utilisé pour le serrage avec le mandrin XPA. Ainsi le serrage s’effectue par l’intérieur et permet l’usinage de la deuxième face sans problèmes. Le faible encombrement permet l’usinage de plusieurs faces sans arêtes gênant l’outil. Le mandrin de serrage peut être usiné et adapté au diamètre correspondant par tournage et fraisage. Peut être automatisé par mécanisme hydraulique et pneumatique.

Livraison : mandrin de serrage avec 3 vis de fixation.

Catalogue Format

picto_f_3917 - mandrin de serrage xpa

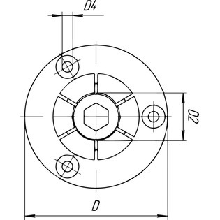
En utilisant des goupilles de butée et 1 ou 2 vis de serrage, il est possible de serrer toutes les pièces à usiner de n’importe quelle forme. Le faible encombrement permet l’usinage de la surface de la pièce à usiner sans problèmes. Ainsi, la position des brides de serrage ne doit pas être prise en compte dans la programmation CN. De plus, le faible encombrement permet d’avoir un plus grand nombre de pièces par montage. Les crampons de serrage peuvent également servir de butée.

Affinez votre recherche en sélectionnant les caractéristiques souhaitées dans le tableau

Fitres actifs :
Référence

Plage de serrage D1 (mm)

Ø D h9 (mm)

Cote D3

Cote D4 (mm)

Cote H (mm)

Cote H1 (mm)

Cote H2 (mm)

Cote H3 (mm)

Cote H4 (mm)

Force de serrage (kN)

Référence : 6339170380
Plage de serrage D1 (mm) : 4,1–7,4
Ø D h9 (mm) : 20
Cote D3 : M2
Cote D4 (mm) : M2
Cote H (mm) : 10,7
Cote H1 (mm) : 7,6
Cote H2 (mm) : 6,1
Cote H3 (mm) : 4,1
Cote H4 (mm) : 3
Force de serrage (kN) : 1,1
Référence : 6339170390
Plage de serrage D1 (mm) : 7,2–12,4
Ø D h9 (mm) : 29,72
Cote D3 : M4
Cote D4 (mm) : M3
Cote H (mm) : 21,8
Cote H1 (mm) : 16
Cote H2 (mm) : 15
Cote H3 (mm) : 8
Cote H4 (mm) : 5,9
Force de serrage (kN) : 4,2
Référence : 6339170400
Plage de serrage D1 (mm) : 12,2–14,2
Ø D h9 (mm) : 31,5
Cote D3 : M6
Cote D4 (mm) : M3
Cote H (mm) : 24,9
Cote H1 (mm) : 19
Cote H2 (mm) : 15
Cote H3 (mm) : 12
Cote H4 (mm) : 5,9
Force de serrage (kN) : 8,5
Référence : 6339170410
Plage de serrage D1 (mm) : 13,5–20
Ø D h9 (mm) : 37,5
Cote D3 : M8
Cote D4 (mm) : M3
Cote H (mm) : 24,9
Cote H1 (mm) : 19
Cote H2 (mm) : 15
Cote H3 (mm) : 14
Cote H4 (mm) : 5,9
Force de serrage (kN) : 11,1
Référence : 6339170420
Plage de serrage D1 (mm) : 18–27
Ø D h9 (mm) : 50
Cote D3 : M10
Cote D4 (mm) : M4
Cote H (mm) : 28,6
Cote H1 (mm) : 22,2
Cote H2 (mm) : 17,5
Cote H3 (mm) : 17
Cote H4 (mm) : 6,4
Force de serrage (kN) : 20
Référence : 6339170430
Plage de serrage D1 (mm) : 23–35,3
Ø D h9 (mm) : 56
Cote D3 : M12
Cote D4 (mm) : M4
Cote H (mm) : 31,8
Cote H1 (mm) : 25,4
Cote H2 (mm) : 20,6
Cote H3 (mm) : 21
Cote H4 (mm) : 6,4
Force de serrage (kN) : 26,3
Référence : 6339170440
Plage de serrage D1 (mm) : 29,3–42
Ø D h9 (mm) : 69,5
Cote D3 : M16
Cote D4 (mm) : M5
Cote H (mm) : 39,6
Cote H1 (mm) : 31,8
Cote H2 (mm) : 27
Cote H3 (mm) : 22
Cote H4 (mm) : 7,9
Force de serrage (kN) : 44,5
Référence : 6339170450
Plage de serrage D1 (mm) : 29,3–51,5
Ø D h9 (mm) : 75,5
Cote D3 : M16
Cote D4 (mm) : M5
Cote H (mm) : 39,6
Cote H1 (mm) : 31,8
Cote H2 (mm) : 27
Cote H3 (mm) : 22
Cote H4 (mm) : 7,9
Force de serrage (kN) : 44,5
Référence : 6339170460
Plage de serrage D1 (mm) : 29,3–77,7
Ø D h9 (mm) : 107,5
Cote D3 : M16
Cote D4 (mm) : M6
Cote H (mm) : 45,5
Cote H1 (mm) : 37,6
Cote H2 (mm) : 32,3
Cote H3 (mm) : 20
Cote H4 (mm) : 7,9
Force de serrage (kN) : 44,5
Référence : 6339170470
Plage de serrage D1 (mm) : 29,3–103
Ø D h9 (mm) : 132,9
Cote D3 : M16
Cote D4 (mm) : M6
Cote H (mm) : 45,5
Cote H1 (mm) : 37,6
Cote H2 (mm) : 32,3
Cote H3 (mm) : 20
Cote H4 (mm) : 7,9
Force de serrage (kN) : 44,5
189326