3917 - crampon de serrage pour rainures en t

DESCRIPTIF PRODUIT

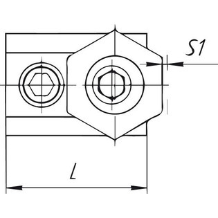
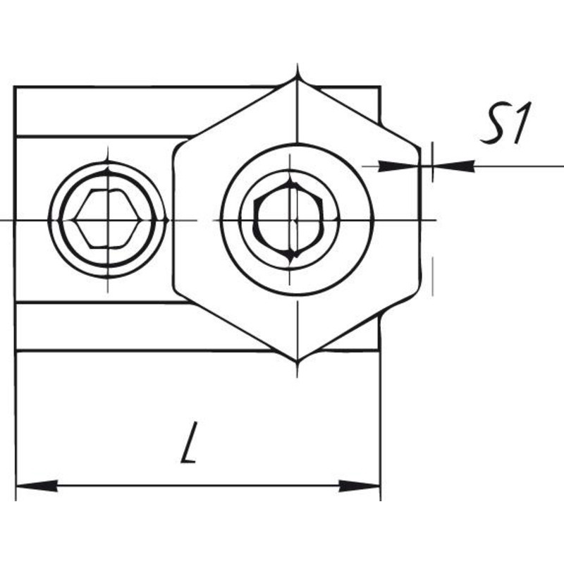
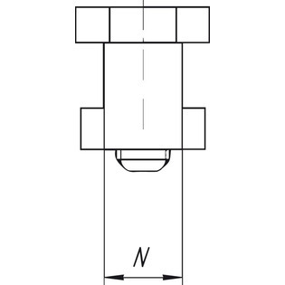
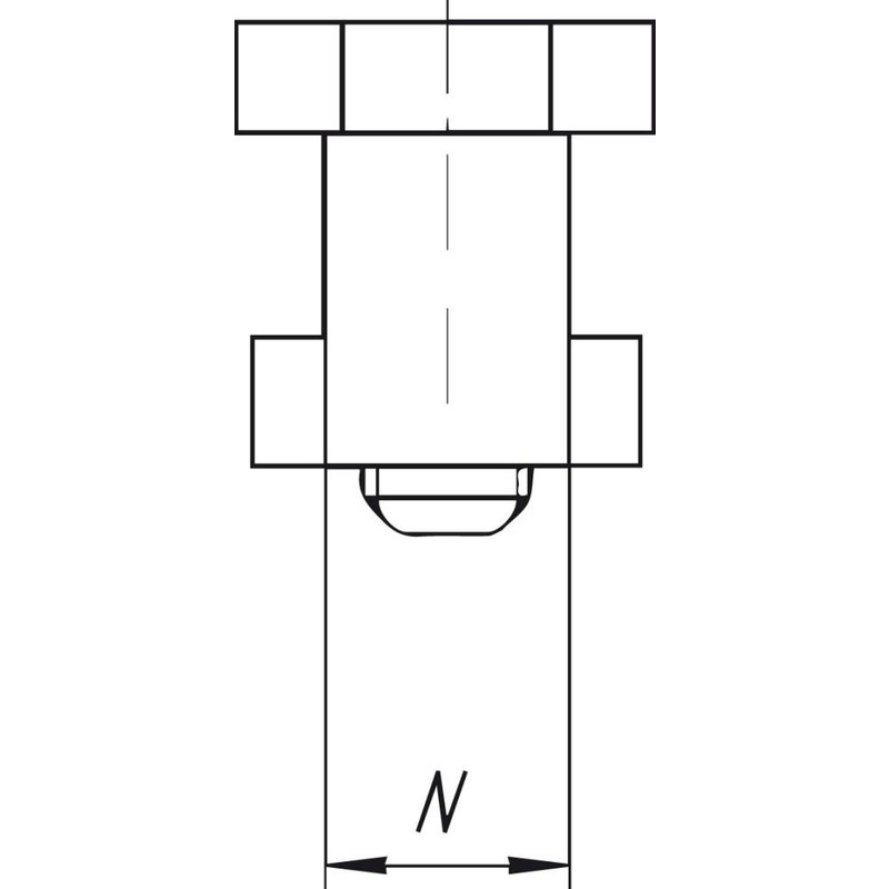
Crampon de serrage à vis excentrique avec tasseau pour rainures en T

Système de serrage universel pour toutes formes de pièces à usiner, par ex. angulaires, obliques, concaves ou convexes.

Modèle : la particularité de ce dispositif de serrage est la vis en acier (résistance 10.9) avec tête excentrique. L'excentrique produit le mouvement de serrage pour une force de serrage très élevée. Une rondelle six pans en laiton sert d’élément de serrage.

Applications : les tasseaux pour rainures en T traités sont enfoncés dans les rainures en T et arrêtés à l'aide d'un goujon fileté. Le serrage s’effectue en tournant la vis à excentrique.

Catalogue Format

picto_f_3917 - crampon de serrage pour rainures en t

en utilisant des goupilles de butée et 1 ou 2 vis de serrage, il est possible de serrer toutes les pièces à usiner de n’importe quelle forme. Le faible encombrement permet l’usinage de la surface de la pièce à usiner sans problèmes. Ainsi, la position des brides de serrage ne doit pas être prise en compte dans la programmation CN. De plus, le faible encombrement permet d’avoir un plus grand nombre de pièces par montage. Les crampons de serrage peuvent également servir de butée.

Affinez votre recherche en sélectionnant les caractéristiques souhaitées dans le tableau

Fitres actifs :
Référence

Largeur de rainure en T N (mm)

Filetage D

Six pans creux (mm)

Cote s/plats (mm)

Hauteur de rondelle H (mm)

Course de l'excentrique S1 (mm)

Force de serrage (kN)

Référence : 6339170060
Largeur de rainure en T N (mm) : 8
Filetage D : M6
Six pans creux (mm) : 3
Cote s/plats (mm) : 16
Hauteur de rondelle H (mm) : 4,8
Course de l'excentrique S1 (mm) : 1
Force de serrage (kN) : 3,4
Référence : 6339170070
Largeur de rainure en T N (mm) : 10
Filetage D : M6
Six pans creux (mm) : 4
Cote s/plats (mm) : 16
Hauteur de rondelle H (mm) : 4,8
Course de l'excentrique S1 (mm) : 1
Force de serrage (kN) : 3,4
Référence : 6339170080
Largeur de rainure en T N (mm) : 12
Filetage D : M8
Six pans creux (mm) : 5
Cote s/plats (mm) : 21
Hauteur de rondelle H (mm) : 4,8
Course de l'excentrique S1 (mm) : 1
Force de serrage (kN) : 3,6
Référence : 6339170090
Largeur de rainure en T N (mm) : 14
Filetage D : M10
Six pans creux (mm) : 7
Cote s/plats (mm) : 21
Hauteur de rondelle H (mm) : 6,4
Course de l'excentrique S1 (mm) : 1,6
Force de serrage (kN) : 9
Référence : 6339170100
Largeur de rainure en T N (mm) : 16
Filetage D : M12
Six pans creux (mm) : 8
Cote s/plats (mm) : 25
Hauteur de rondelle H (mm) : 9,5
Course de l'excentrique S1 (mm) : 2
Force de serrage (kN) : 18
Référence : 6339170110
Largeur de rainure en T N (mm) : 18
Filetage D : M12
Six pans creux (mm) : 8
Cote s/plats (mm) : 25
Hauteur de rondelle H (mm) : 9,5
Course de l'excentrique S1 (mm) : 2
Force de serrage (kN) : 18
Référence : 6339170120
Largeur de rainure en T N (mm) : 20
Filetage D : M16
Six pans creux (mm) : 12
Cote s/plats (mm) : 30
Hauteur de rondelle H (mm) : 12,7
Course de l'excentrique S1 (mm) : 2,5
Force de serrage (kN) : 27
Référence : 6339170130
Largeur de rainure en T N (mm) : 22
Filetage D : M16
Six pans creux (mm) : 12
Cote s/plats (mm) : 30
Hauteur de rondelle H (mm) : 12,7
Course de l'excentrique S1 (mm) : 2,5
Force de serrage (kN) : 27
189304