3895 - sauterelle tirée

DESCRIPTIF PRODUIT

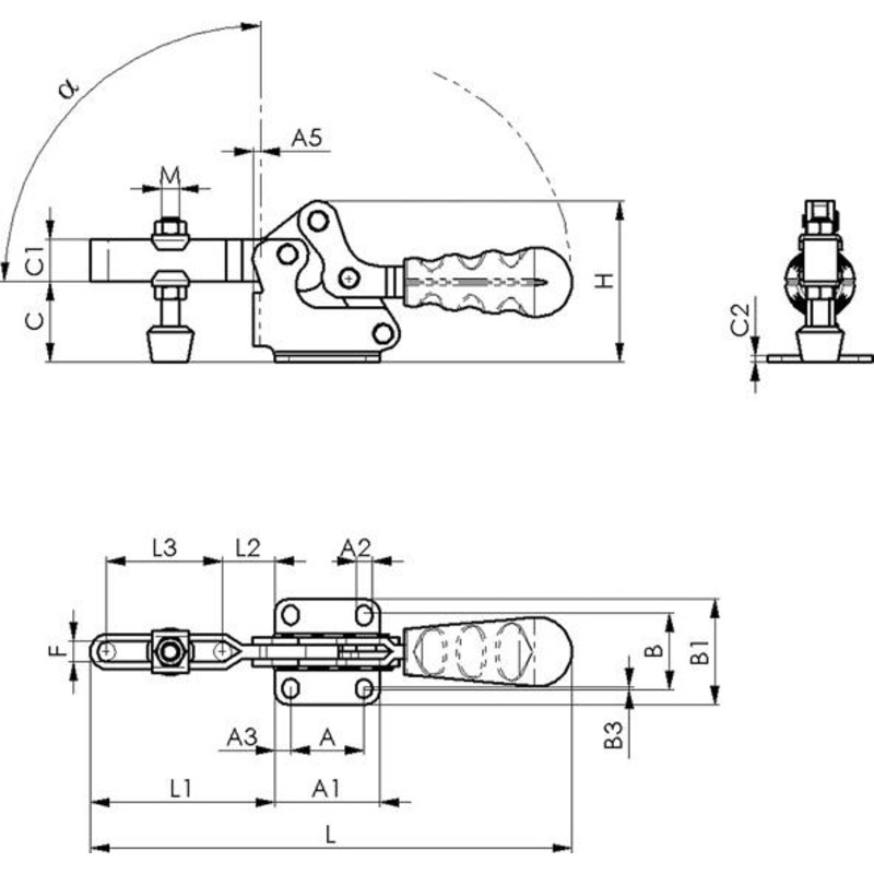
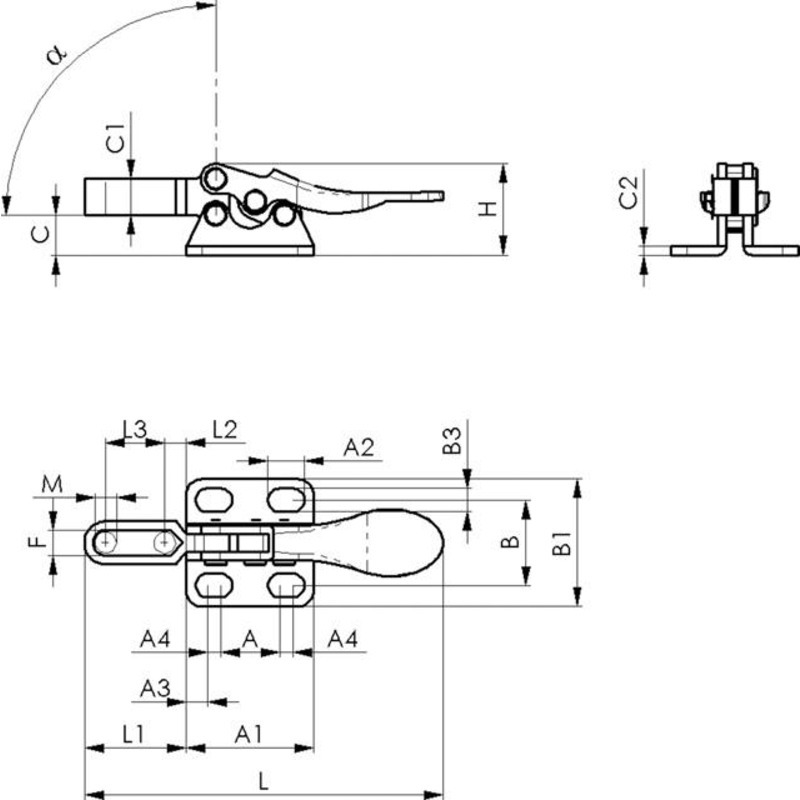
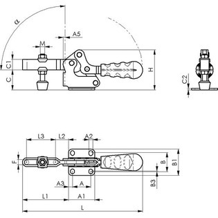
Sauterelle tirée

Modèle : acier, galvanisé et passivé avec levier résistant aux fluides et embase de fixation. Rivets en acier inoxydable.

Catalogue Format

picto_f_3895 - sauterelle tirée

Convient parfaitement pour une utilisation dans la fabrication de pièces en série.

Affinez votre recherche en sélectionnant les caractéristiques souhaitées dans le tableau

Fitres actifs :
Référence

Taille

Hauteur de serrage (mm)

Hauteur totale (mm)

Longueur totale (mm)

Force de maintien (N)

Référence : 6338950000
Taille : 0
Hauteur de serrage (mm) : 7,4
Hauteur totale (mm) : 17
Longueur totale (mm) : 68
Force de maintien (N) : 380
Référence : 6338950010
Taille : 1
Hauteur de serrage (mm) : 19
Hauteur totale (mm) : 38,2
Longueur totale (mm) : 105
Force de maintien (N) : 700
Référence : 6338950020
Taille : 2
Hauteur de serrage (mm) : 25
Hauteur totale (mm) : 52,6
Longueur totale (mm) : 162
Force de maintien (N) : 900
Référence : 6338950030
Taille : 3
Hauteur de serrage (mm) : 34
Hauteur totale (mm) : 68,5
Longueur totale (mm) : 189
Force de maintien (N) : 2200
Référence : 6338950040
Taille : 4
Hauteur de serrage (mm) : 45
Hauteur totale (mm) : 90
Longueur totale (mm) : 269
Force de maintien (N) : 3400
190083