Kpkhr/l

KYOCERA

Affinez votre recherche en sélectionnant les caractéristiques souhaitées dans le tableau

Fitres actifs :
Référence

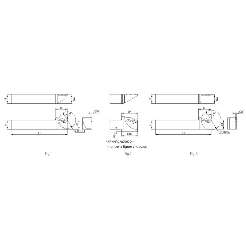
CUTDIA

H

HF

HBH

B

LF

LH

WF

HBL

CW

Schéma

clé

Plaquette à utiliser

Référence : KPKHR 2020K-2
CUTDIA : 38
H : 20
HF : 20
HBH : 5
B : 20
LF : 125
LH : 33.1
WF : 19.15
HBL : 33.1
CW : 2.0
Schéma : Fig.2
clé : LPW-5
Plaquette à utiliser : PKM20…
Référence : KPKHL 2020K-2
CUTDIA : 38
H : 20
HF : 20
HBH : 5
B : 20
LF : 125
LH : 33.1
WF : 19.15
HBL : 33.1
CW : 2.0
Schéma : Fig.3
clé : LPW-6
Plaquette à utiliser : PKM20…
Référence : KPKHR 2020K-3
CUTDIA : 52
H : 20
HF : 20
HBH : -
B : 20
LF : 125
LH : 34
WF : 18.75
HBL : -
CW : 3.0
Schéma : Fig.3
clé : LPW-5
Plaquette à utiliser : PKM30…
Référence : KPKHL 2020K-3
CUTDIA : 52
H : 20
HF : 20
HBH : -
B : 20
LF : 125
LH : 34
WF : 18.75
HBL : -
CW : 3.0
Schéma : Fig.3
clé : LPW-5
Plaquette à utiliser : PKM30…
Référence : KPKHR 2525M-3
CUTDIA : 53
H : 25
HF : 25
HBH : -
B : 25
LF : 150
LH : 34
WF : 23.75
HBL : -
CW : 3.0
Schéma : Fig.3
clé : LPW-5
Plaquette à utiliser : PKM30…
Référence : KPKHL 2525M-3
CUTDIA : 53
H : 25
HF : 25
HBH : -
B : 25
LF : 150
LH : 34
WF : 23.75
HBL : -
CW : 3.0
Schéma : Fig.3
clé : LPW-5
Plaquette à utiliser : PKM30…
Référence : KPKHR 2020K-4
CUTDIA : 62
H : 20
HF : 20
HBH : -
B : 20
LF : 125
LH : 40.5
WF : 18.35
HBL : -
CW : 4.0
Schéma : Fig.3
clé : LPW-5
Plaquette à utiliser : PKM40…
Référence : KPKHL 2020K-4
CUTDIA : 62
H : 20
HF : 20
HBH : -
B : 20
LF : 125
LH : 40.5
WF : 18.35
HBL : -
CW : 4.0
Schéma : Fig.3
clé : LPW-5
Plaquette à utiliser : PKM40…
Référence : KPKHR 2525M-4
CUTDIA : 68
H : 25
HF : 25
HBH : -
B : 25
LF : 150
LH : 40.5
WF : 23.35
HBL : -
CW : 4.0
Schéma : Fig.3
clé : LPW-5
Plaquette à utiliser : PKM40…
Référence : KPKHL 2525M-4
CUTDIA : 68
H : 25
HF : 25
HBH : -
B : 25
LF : 150
LH : 40.5
WF : 23.35
HBL : -
CW : 4.0
Schéma : Fig.3
clé : LPW-5
Plaquette à utiliser : PKM40…
Référence : KPKHR 2525M-5
CUTDIA : 79
H : 25
HF : 25
HBH : -
B : 25
LF : 150
LH : 45.9
WF : 22.95
HBL : -
CW : 5
Schéma : Fig.3
clé : LPW-5
Plaquette à utiliser : PKM50…
Référence : KPKHL 2525M-5
CUTDIA : 79
H : 25
HF : 25
HBH : -
B : 25
LF : 150
LH : 45.9
WF : 22.95
HBL : -
CW : 5
Schéma : Fig.3
clé : LPW-5
Plaquette à utiliser : PKM50…
162545