Dwlnr/l - jct

KYOCERA

DESCRIPTIF PRODUIT

Arrosage interne 3 points dirigé vers la plaquette. Serrage par bride.
Bénéfices : 1- Meilleur contrôle des copeaux, 2- Amélioration de la durée de vie, 3- Usinage grande vitesse.

Idéal pour l'usinage des inox, des réfractaires et des aciers.

Affinez votre recherche en sélectionnant les caractéristiques souhaitées dans le tableau

Fitres actifs :
Référence

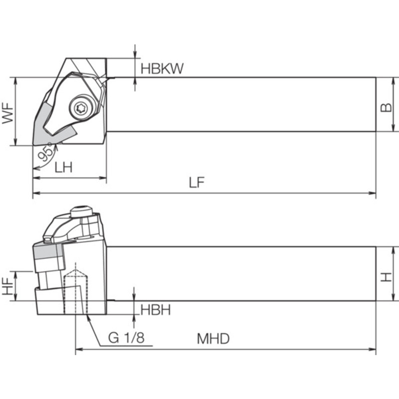
H (mm)

B (mm)

LF (mm)

LH (mm)
Bride
Connexion tuyau
Vis serrage
Ressort
Clé

Assise

Vis d assise
Plaquettes
Référence : DWLNR2020K-08JCT
H (mm) : 20
B (mm) : 20
LF (mm) : 125
LH (mm) : 27
Bride : CP-3D-R-JCT
Connexion tuyau : FP-12
Vis serrage : CS-3D-TR
Ressort : SP-3D
Clé : FT-15
Assise : DW-44
Vis d assise : SB-4085TR
Plaquettes : WN**08
Référence : DWLNL2020K-08JCT
H (mm) : 20
B (mm) : 20
LF (mm) : 125
LH (mm) : 27
Bride : CP-3D-R-JCT
Connexion tuyau : FP-12
Vis serrage : CS-3D-TR
Ressort : SP-3D
Clé : FT-15
Assise : DD-43 DD-44
Vis d assise : SB-4085TR
Plaquettes : WN**08
Référence : DWLNR2525M-08JCT
H (mm) : 25
B (mm) : 25
LF (mm) : 150
LH (mm) : 27
Bride : CP-3D-R-JCT
Connexion tuyau : FP-12
Vis serrage : CS-3D-TR
Ressort : SP-3D
Clé : FT-15
Assise : DD-43 DD-44
Vis d assise : SB-4085TR
Plaquettes : WN**08
Référence : DWLNL2525M-08JCT
H (mm) : 25
B (mm) : 25
LF (mm) : 150
LH (mm) : 27
Bride : CP-3D-R-JCT
Connexion tuyau : FP-12
Vis serrage : CS-3D-TR
Ressort : SP-3D
Clé : FT-15
Assise : DD-43 DD-44
Vis d assise : SB-4085TR
Plaquettes : WN**08
550455