Jeux de 3 mors doux acier 1/16" x 90° pour mandrin autoblok

DOGA

Affinez votre recherche en sélectionnant les caractéristiques souhaitées dans le tableau

Fitres actifs :
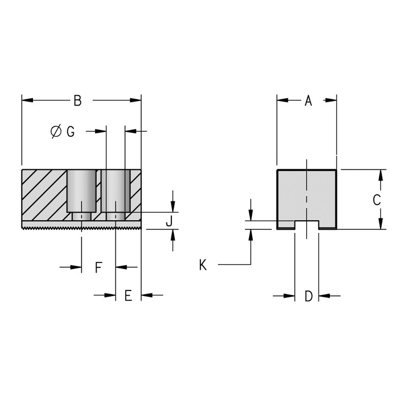
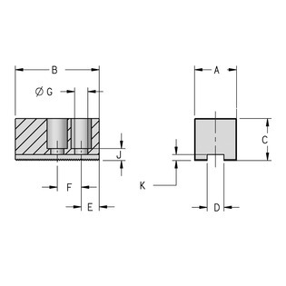
Référence

Ø

Fraisés

A

B

C

D

E

F

G

J

K

Référence : 2061000
Ø : 160/170
Fraisés : -
A : 35
B : 70
C : 35
D : 14
E : 15
F : 16
G : 11
J : 10
K : 5
Référence : 2060050
Ø : 160/170
Fraisés : 120°
A : 35
B : 80
C : 35
D : 14
E : 15
F : 16
G : 11
J : 10
K : 5
Référence : 2060022
Ø : 200/220
Fraisés : -
A : 40
B : 90
C : 40
D : 17
E : 15
F : 23
G : 13
J : 12
K : 5
Référence : 2060051
Ø : 200/220
Fraisés : 120°
A : 40
B : 100
C : 40
D : 17
E : 15
F : 23
G : 13
J : 12
K : 5
Référence : 2061100
Ø : 250
Fraisés : -
A : 45
B : 110
C : 45
D : 21
E : 20
F : 30
G : 17
J : 14
K : 6
Référence : 2060052
Ø : 250
Fraisés : 120°
A : 45
B : 120
C : 45
D : 21
E : 20
F : 30
G : 17
J : 14
K : 6
Référence : 2055591
Ø : 315
Fraisés : -
A : 50
B : 125
C : 50
D : 21
E : 22
F : 30
G : 17
J : 14
K : 6
Référence : 2020079
Ø : 315
Fraisés : 120°
A : 50
B : 125
C : 50
D : 21
E : 22
F : 30
G : 17
J : 14
K : 6
151564