Mandrins à pinces iso centro-p premium

FAHRION

DESCRIPTIF PRODUIT

DIN 69871-1
• Le corps du mandrin et l'écrou de serrage sont équilibrés
séparément G2,5 à 25.000 1/min ou U ≤ 1 gmm
• Standard : Ecrou de serrage haute précision DPC sans plage de
serrage. Concentricité ≤ 3 μm avec pinces de serrage GERC-HP.
• Alternative : Ecrou de serrage HSS avec une plage de serrage
de 0,4 mm. Concentricité ≤ 10 μm avec pinces de serrage
GERC-B. In adapté aux pinces de serrage étanches.
- Revêtement anti-corrosion Fahrion Protect

- Livré avec écrou de serrage DPC

HAUTE PERFORMANCE

Affinez votre recherche en sélectionnant les caractéristiques souhaitées dans le tableau

Fitres actifs :
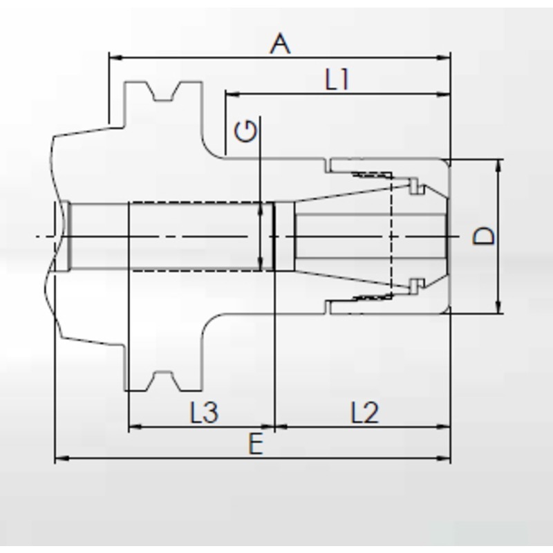
Référence

Type

D

E

L1

L2

L3

G

Référence : DPC16 70
Type : DPC16-AD40-A=70
D : 30
E : 100
L1 : 43,5
L2 : 32
L3 : 25
G : M11x1
Référence : DPC16 100
Type : DPC16-AD40-A=100
D : 30
E : 130
L1 : 73,5
L2 : 32
L3 : 25
G : M11x1
Référence : DPC32 50
Type : DPC32-AD40-A=50
D : 50
E : 84
L1 : 31
L2 : 48
L3 : 29
G : M22x1,5
Référence : DPC32 70
Type : DPC32-AD40-A=70
D : 50
E : 99
L1 : 51
L2 : 48
L3 : 40
G : M22x1,5
Référence : DPC32 100
Type : DPC32-AD40-A=100
D : 50
E : 114
L1 : 81
L2 : 45
L3 : 50
G : M22x1,5
155839