Mb45 - fraise à alésage lisse

KYOCERA

DESCRIPTIF PRODUIT

Nouvelle génération de fraises à 45° destinée un usage général. Alliant polyvalence et hautes performances, ces fraises offrent un équilibre parfait entre qualité d'usinage, longévité et économie.
Plaquettes SNEU14 ou SNMU14.

Pas gros : Recommandé pour les pièces ou les machines à faible rigidité (comme l'usinage de tôles ou BT30). Economique.

Pas fin : Bon équilibre entre stabilité, précision d'usinage et efficacité. Permet une large gamme d'utilisation.

Pas extra fin : Recommandé pour les pièces et les machines à rigidité élevée.

Affinez votre recherche en sélectionnant les caractéristiques souhaitées dans le tableau

Fitres actifs :
Référence

Pas

Nb plaquettes

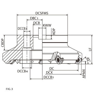
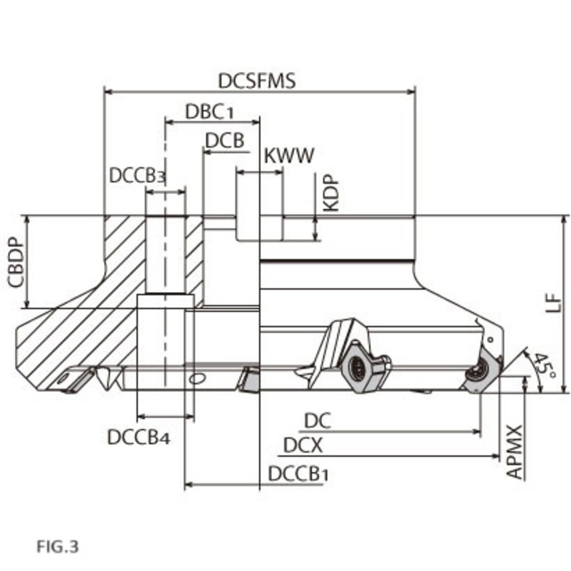
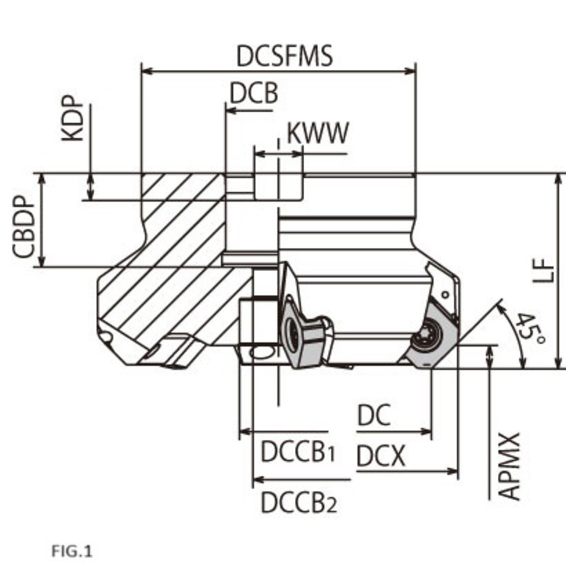
DC

DCX

DCSFMS

DCB

DCCB1

DCCB2

DCCB3

DCCB4

DBC1

LF

CBDP

KDP

KWW

ARROSAGE

FORME

Référence : MB45-040R-14T2C-M
Pas : Gros
Nb plaquettes : 2
DC : 40
DCX : 53
DCSFMS : 38
DCB : 16
DCCB1 : 13.5
DCCB2 : 9
DCCB3 :
DCCB4 :
DBC1 :
LF : 40
CBDP : 19
KDP : 5.6
KWW : 8.4
ARROSAGE : OUI
FORME : FIG.1
Référence : MB45-050R-14T3C-M
Pas : Gros
Nb plaquettes : 3
DC : 50
DCX : 63
DCSFMS : 48
DCB : 22
DCCB1 : 18
DCCB2 : 11
DCCB3 :
DCCB4 :
DBC1 :
LF : 40
CBDP : 21
KDP : 6.3
KWW : 10.4
ARROSAGE : OUI
FORME : FIG.1
Référence : MB45-063R-14T4C-M
Pas : Gros
Nb plaquettes : 4
DC : 63
DCX : 76
DCSFMS : 50
DCB : 22
DCCB1 : 18
DCCB2 : 11
DCCB3 :
DCCB4 :
DBC1 :
LF : 40
CBDP : 21
KDP : 6.3
KWW : 10.4
ARROSAGE : OUI
FORME : FIG.1
Référence : MB45-080R-14T5C-M
Pas : Gros
Nb plaquettes : 5
DC : 80
DCX : 93
DCSFMS : 70
DCB : 27
DCCB1 : 20
DCCB2 : 13
DCCB3 :
DCCB4 :
DBC1 :
LF : 50
CBDP : 24
KDP : 7
KWW : 12.4
ARROSAGE : OUI
FORME : FIG.1
Référence : MB45-100R-14T5C-M
Pas : Gros
Nb plaquettes : 5
DC : 100
DCX : 113
DCSFMS : 78
DCB : 32
DCCB1 : 45
DCCB2 :
DCCB3 :
DCCB4 :
DBC1 :
LF : 50
CBDP : 30
KDP : 8
KWW : 14.4
ARROSAGE : OUI
FORME : FIG.2
Référence : MB45-125R-14T6C-M
Pas : Gros
Nb plaquettes : 6
DC : 125
DCX : 138
DCSFMS : 89
DCB : 40
DCCB1 : 55
DCCB2 :
DCCB3 :
DCCB4 :
DBC1 :
LF : 63
CBDP : 33
KDP : 9
KWW : 16.4
ARROSAGE : OUI
FORME : FIG.2
Référence : MB45-160R-14T7-M
Pas : Gros
Nb plaquettes : 7
DC : 160
DCX : 173
DCSFMS : 110
DCB : 40
DCCB1 : 55
DCCB2 :
DCCB3 : 14
DCCB4 : 20
DBC1 : 66.7
LF : 63
CBDP : 33
KDP : 9
KWW : 16.4
ARROSAGE : NON
FORME : FIG.3
Référence : MB45-200R-14T8-M
Pas : Gros
Nb plaquettes : 8
DC : 200
DCX : 213
DCSFMS : 142
DCB : 60
DCCB1 : 110
DCCB2 :
DCCB3 : 18
DCCB4 : 26
DBC1 : 101.6
LF : 63
CBDP : 35
KDP : 14
KWW : 25.7
ARROSAGE : NON
FORME : FIG.3
Référence : MB45-250R-14T10-M
Pas : Gros
Nb plaquettes : 10
DC : 250
DCX : 263
DCSFMS : 142
DCB : 60
DCCB1 : 110
DCCB2 :
DCCB3 : 18
DCCB4 : 26
DBC1 : 101.6
LF : 63
CBDP : 35
KDP : 14
KWW : 25.7
ARROSAGE : NON
FORME : FIG.3
Référence : MB45-315R-14T14-M
Pas : Gros
Nb plaquettes : 14
DC : 315
DCX : 328
DCSFMS : 222
DCB : 60
DCCB1 :
DCCB2 :
DCCB3 :
DCCB4 :
DBC1 :
LF : 80
CBDP : 35
KDP : 14
KWW : 25.7
ARROSAGE : NON
FORME : FIG.4
Référence : MB45-040R-14T3C-M
Pas : Fin
Nb plaquettes : 3
DC : 40
DCX : 53
DCSFMS : 38
DCB : 16
DCCB1 : 13.5
DCCB2 : 9
DCCB3 :
DCCB4 :
DBC1 :
LF : 40
CBDP : 19
KDP : 5.6
KWW : 8.4
ARROSAGE : OUI
FORME : FIG.1
Référence : MB45-050R-14T4C-M
Pas : Fin
Nb plaquettes : 4
DC : 50
DCX : 63
DCSFMS : 48
DCB : 22
DCCB1 : 18
DCCB2 : 11
DCCB3 :
DCCB4 :
DBC1 :
LF : 40
CBDP : 21
KDP : 6.3
KWW : 10.4
ARROSAGE : OUI
FORME : FIG.1
Référence : MB45-063R-14T5C-M
Pas : Fin
Nb plaquettes : 5
DC : 63
DCX : 76
DCSFMS : 50
DCB : 22
DCCB1 : 18
DCCB2 : 11
DCCB3 :
DCCB4 :
DBC1 :
LF : 40
CBDP : 21
KDP : 6.3
KWW : 10.4
ARROSAGE : OUI
FORME : FIG.1
Référence : MB45-080R-14T6C-M
Pas : Fin
Nb plaquettes : 6
DC : 80
DCX : 93
DCSFMS : 70
DCB : 27
DCCB1 : 20
DCCB2 : 13
DCCB3 :
DCCB4 :
DBC1 :
LF : 50
CBDP : 24
KDP : 7
KWW : 12.4
ARROSAGE : OUI
FORME : FIG.1
Référence : MB45-100R-14T8C-M
Pas : Fin
Nb plaquettes : 8
DC : 100
DCX : 113
DCSFMS : 78
DCB : 32
DCCB1 : 45
DCCB2 :
DCCB3 :
DCCB4 :
DBC1 :
LF : 50
CBDP : 30
KDP : 8
KWW : 14.4
ARROSAGE : OUI
FORME : FIG.2
Référence : MB45-125R-14T10C-M
Pas : Fin
Nb plaquettes : 10
DC : 125
DCX : 138
DCSFMS : 89
DCB : 40
DCCB1 : 55
DCCB2 :
DCCB3 :
DCCB4 :
DBC1 :
LF : 63
CBDP : 33
KDP : 9
KWW : 16.4
ARROSAGE : OUI
FORME : FIG.2
Référence : MB45-160R-14T12-M
Pas : Fin
Nb plaquettes : 12
DC : 160
DCX : 173
DCSFMS : 110
DCB : 40
DCCB1 : 55
DCCB2 :
DCCB3 : 14
DCCB4 : 20
DBC1 : 66.7
LF : 63
CBDP : 33
KDP : 9
KWW : 16.4
ARROSAGE : NON
FORME : FIG.3
Référence : MB45-200R-14T14-M
Pas : Fin
Nb plaquettes : 14
DC : 200
DCX : 213
DCSFMS : 142
DCB : 60
DCCB1 : 110
DCCB2 :
DCCB3 : 18
DCCB4 : 26
DBC1 : 101.6
LF : 63
CBDP : 35
KDP : 14
KWW : 25.7
ARROSAGE : NON
FORME : FIG.3
Référence : MB45-250R-14T16-M
Pas : Fin
Nb plaquettes : 16
DC : 250
DCX : 263
DCSFMS : 142
DCB : 60
DCCB1 : 110
DCCB2 :
DCCB3 : 18
DCCB4 : 26
DBC1 : 101.6
LF : 63
CBDP : 35
KDP : 14
KWW : 25.7
ARROSAGE : NON
FORME : FIG.3
Référence : MB45-315R-14T18-M
Pas : Fin
Nb plaquettes : 18
DC : 315
DCX : 328
DCSFMS : 222
DCB : 60
DCCB1 :
DCCB2 :
DCCB3 :
DCCB4 :
DBC1 :
LF : 80
CBDP : 35
KDP : 14
KWW : 25.7
ARROSAGE : NON
FORME : FIG.4
Référence : MB45-040R-14T4C-M
Pas : Extra Fin
Nb plaquettes : 4
DC : 40
DCX : 53
DCSFMS : 38
DCB : 16
DCCB1 : 13.5
DCCB2 : 9
DCCB3 :
DCCB4 :
DBC1 :
LF : 40
CBDP : 19
KDP : 5.6
KWW : 8.4
ARROSAGE : OUI
FORME : FIG.1
Référence : MB45-050R-14T5C-M
Pas : Extra Fin
Nb plaquettes : 5
DC : 50
DCX : 63
DCSFMS : 48
DCB : 22
DCCB1 : 18
DCCB2 : 11
DCCB3 :
DCCB4 :
DBC1 :
LF : 40
CBDP : 21
KDP : 6.3
KWW : 10.4
ARROSAGE : OUI
FORME : FIG.1
Référence : MB45-063R-14T6C-M
Pas : Extra Fin
Nb plaquettes : 6
DC : 63
DCX : 76
DCSFMS : 50
DCB : 22
DCCB1 : 18
DCCB2 : 11
DCCB3 :
DCCB4 :
DBC1 :
LF : 40
CBDP : 21
KDP : 6.3
KWW : 10.4
ARROSAGE : OUI
FORME : FIG.1
Référence : MB45-080R-14T8C-M
Pas : Extra Fin
Nb plaquettes : 8
DC : 80
DCX : 93
DCSFMS : 70
DCB : 27
DCCB1 : 20
DCCB2 : 13
DCCB3 :
DCCB4 :
DBC1 :
LF : 50
CBDP : 24
KDP : 7
KWW : 12.4
ARROSAGE : OUI
FORME : FIG.1
Référence : MB45-100R-14T10C-M
Pas : Extra Fin
Nb plaquettes : 10
DC : 100
DCX : 113
DCSFMS : 78
DCB : 32
DCCB1 : 45
DCCB2 :
DCCB3 :
DCCB4 :
DBC1 :
LF : 50
CBDP : 30
KDP : 8
KWW : 14.4
ARROSAGE : OUI
FORME : FIG.2
Référence : MB45-125R-14T13C-M
Pas : Extra Fin
Nb plaquettes : 13
DC : 125
DCX : 138
DCSFMS : 89
DCB : 40
DCCB1 : 55
DCCB2 :
DCCB3 :
DCCB4 :
DBC1 :
LF : 63
CBDP : 33
KDP : 9
KWW : 16.4
ARROSAGE : OUI
FORME : FIG.2
Référence : MB45-160R-14T16-M
Pas : Extra Fin
Nb plaquettes : 16
DC : 160
DCX : 173
DCSFMS : 110
DCB : 40
DCCB1 : 55
DCCB2 :
DCCB3 : 14
DCCB4 : 20
DBC1 : 66.7
LF : 63
CBDP : 33
KDP : 9
KWW : 16.4
ARROSAGE : NON
FORME : FIG.3
Référence : MB45-200R-14T18-M
Pas : Extra Fin
Nb plaquettes : 18
DC : 200
DCX : 213
DCSFMS : 142
DCB : 60
DCCB1 : 110
DCCB2 :
DCCB3 : 18
DCCB4 : 26
DBC1 : 101.6
LF : 63
CBDP : 35
KDP : 14
KWW : 25.7
ARROSAGE : NON
FORME : FIG.3
Référence : MB45-250R-14T20-M
Pas : Extra Fin
Nb plaquettes : 20
DC : 250
DCX : 263
DCSFMS : 142
DCB : 60
DCCB1 : 110
DCCB2 :
DCCB3 : 18
DCCB4 : 26
DBC1 : 101.6
LF : 63
CBDP : 35
KDP : 14
KWW : 25.7
ARROSAGE : NON
FORME : FIG.3
550459