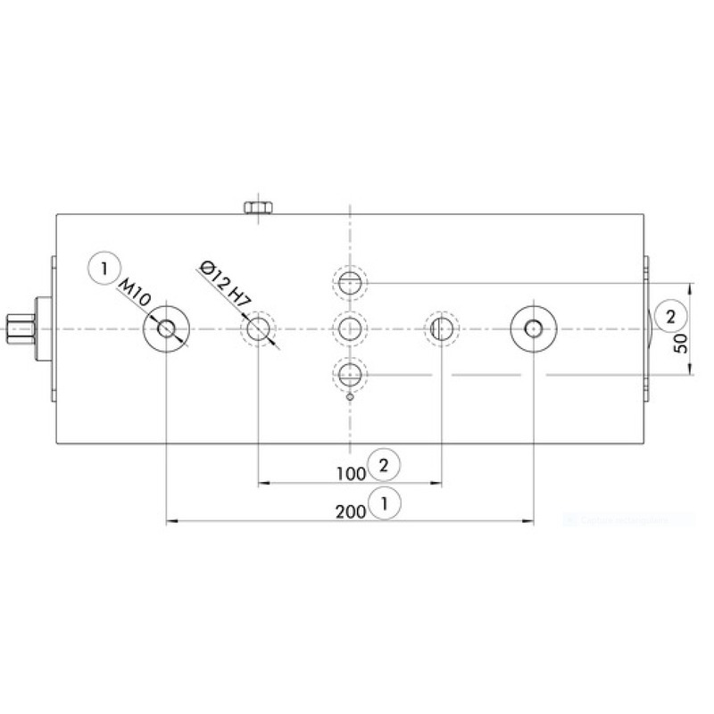
Etau de fraisage double ksc-d 125-320

SCHUNK INTEC

PRODUCT DESCRIPTION

Cet étau permet de serrer simultanément 2 pièces identiques ou différentes.
Force de serrage 40KN
Livré sans mors

Reference
Larg. base (mm)
Long. base (mm)
Haut. base (mm)
Poids (Kg)
Reference : 1322939
Larg. base (mm) : 125
Long. base (mm) : 320
Haut. base (mm) : 60
Poids (Kg) : 14
152992